Develivery time:60 working days
Model:HOPEX-Perforated cable tray
Payment:30% T/T deposit,70% balance before shipping
Warranty :1 years for machinery warranty
Voltage:Standard 380V 50HZ 3Phase or customized.
WhatsApp: 0086 13163076790
E-mail: elaine@hx-machinery.com
HOPEX solar structure manufacturing machine
Built with a rigid frame and premium wear-resistant components,HOPEX solar structure manufacturing machine ensures consistent performance even under long hours of heavy-duty operation.


Contact us for a quote on cable tray machines!
The composition of the machine

Coil Uncoiler -- Feeding and Leveling -- Forming -- Servo Tracking Punching -- Servo Tracking Saw Cutting -- Discharging
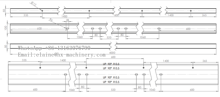
Picture of product profile drawing

HOPEX solar structure manufacturing machine for Trough Trays Technical parameter
| Name | Optional Types |
| Uncoiler Frame | Hydraulic expanding core |
| Leveling Section | 5 rolls |
| Main Machine Section | Forming rolls: 23 forming rollers |
| Servo Non-stop Punching | Dual-module reverse punching |
| Tracking Cutting | Circular saw cutting |
| Discharging Platform | 2 sets of 3m platforms (roller type) |
| Roll Press Thickness | 1.5–2.5 mm |
| Roll Press Speed | 10–15 m/min |
Our customers
HOPEX is a professional manufacturer of cable tray forming machines, has over 20 years of experience. It has served thousands of customers worldwide and its products are exported to more than 100 countries and regions.

Contact us for a quote on cable tray machines!
Pictures of HOPEX solar structure manufacturing machine packaging
1.standard export package
2. Plastic film package, and water proof package in 40 ft container
