Develivery time:60 working days
Model:HOPEX-Perforated cable tray
Payment:30% T/T deposit,70% balance before shipping
Warranty :1 years for machinery warranty
Voltage:Standard 380V 50HZ 3Phase or customized.
WhatsApp: 0086 13163076790
E-mail: elaine@hx-machinery.com
HOPEX cable tray roll forming machine price
Incorporating cutting-edge design and precision manufacturing, HOPEX cable tray roll forming machine price achieves superior load-bearing capacity while maintaining a sleek, low-profile silhouette, making it perfect for space-constrained high-rise buildings and advanced data centers.


Contact us for a quote on cable tray machines!
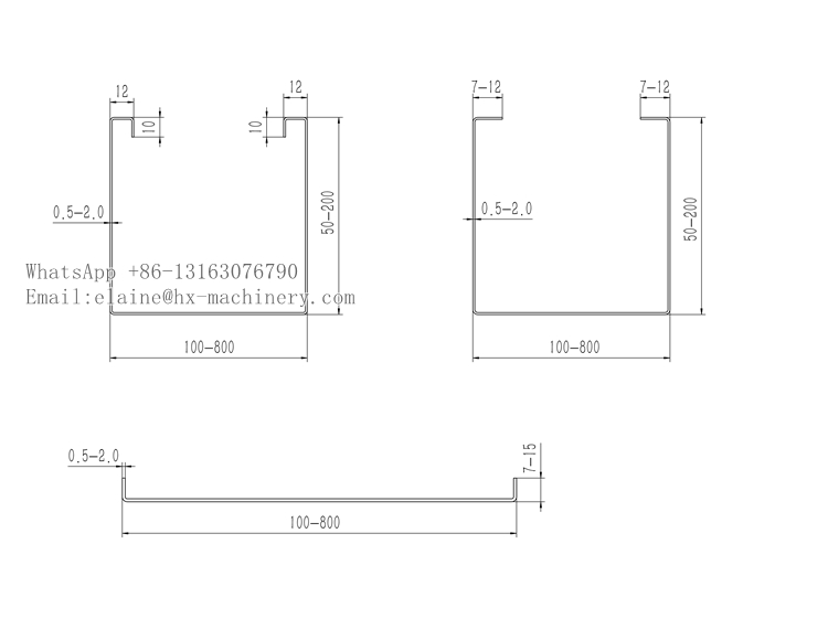
Picture of product profile drawing

The composition of the machine

Feeding → Loading → Molding → Punching → Cutting → Discharging
HOPEX cable tray roll forming machine price for Trough Trays Technical parameter
| Patent Technology Inlet |
Automatic identification |
| CNC Folding Section |
Automatic identification |
| Discharge Table | 4-station discharge |
| Pressing Station | Multi-circuit solenoid |
| Forming Specification | 800-2000-50(mm) (single/double folded edge) |
| Folding Thickness | 1.5-2.0 mm |
Pictures of HOPEX cable tray roll forming machine price packaging
1.standard export package
2. Plastic film package, and water proof package in 40 ft container

Our customers
HOPEX is a professional manufacturer of cable tray forming machines, has over 20 years of experience. It has served thousands of customers worldwide and its products are exported to more than 100 countries and regions.
